| Hmotnost (kg) | 0,39 |
|---|---|
| Materiál | hliník |
| Nosnost (kg) | 20 |
| Balení (ks) | 2 |
| Barva | černá |
| Přeprava DPD (0-10 kg) | 303 Kč | podrobnosti |
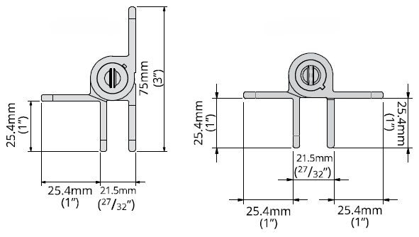
KwikFit® Aluminium je samouzavírací hliníkový závěs určený pro lehké brány do 20 kg v okolí bazénů a jiných rizikových prostorů. Chrání před nechtěným vstupem, nabízí rychlou instalaci, snadné nastavení napětí a dlouhou životnost. Vhodný pro kovové, dřevěné i hliníkové brány. Mezera mezi bránou a sloupky je pevná – 21,5 mm. Závěsy se prodávají v párech.
Závěsy KwikFit™ Aluminium jsou ideální volbou pro lehké až středně těžké brány v domácnosti či na zahradě. Odolná, práškově lakovaná hliníková konstrukce se šesti nastavitelnými stupni napětí poskytuje možnost jemnějšího přizpůsobení zavírání, díky kterému lze závěsy použít pro celou řadu bran z různých materiálů. Závěsy jsou zcela odolné proti rezavění, zadrhávání, prohýbání a zabarvování a zajišťují hladké a spolehlivé zavírání. Boční upevňovací ramena poskytují všestrannost a dodatečnou pevnost při montáži.
Hlavní výhody
Hliníková práškově lakovaná konstrukce
Lze montovat na sloupek i na stěnu
Vnitřní uzavírací pružina z nerezové oceli
Patentované nastavení napětí, které lze upravit i jednou rukou z obou stran závěsu
Instalace pro pravostranné nebo levostranné otevírání
Polymerová podložka s nízkým třením
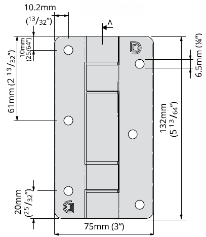
Rozměry závěsu

